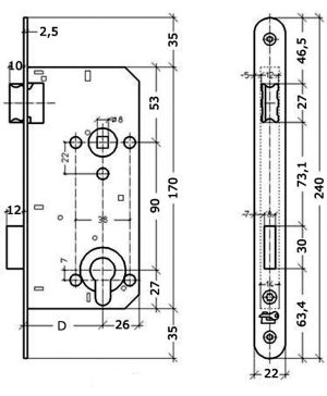
Dag- en Nachtcilinderslot LITTO A 2690.21
– Voor europrofielcilinder
– Kruknoot 8 mm vierkant
– Massieve dagschootkop in zamac
– Links en rechts bruikbaar
– Open kast in epoxy gelakt
– Voorplaat afgerond
– Dagschootveer en tegenveer voor kruk
– Glasvezel versterkte kunststofnoot
– Met patentgaten
– Nachtschootsluitlengte 12 mm
– Met hefboom
– Sluitplaat afzonderlijk te bestellen
– PZ Cilinderslot
– Doornmaat 50 mm
– Asmaat 90 mm
– Breedte voorplaat 22 mm
– Draairichting omkeerbaar slot




